
Параллельная работа синхронных генераторов
Authored by дмитрий дмитрий
Education
Professional Development
Used 28+ times

AI Actions
Add similar questions
Adjust reading levels
Convert to real-world scenario
Translate activity
More...
Content View
Student View
10 questions
Show all answers
1.
MULTIPLE CHOICE QUESTION
30 sec • 1 pt
Назначение и преимущества включения генераторов на параллельную работу.
повышает гибкость эксплуатации оборудования электростанций и подстанций,
повышает экономичность работы электростанции
повышает надежность и бесперебойность работы электростанций
Все перечисленные ответы верны
2.
MULTIPLE CHOICE QUESTION
30 sec • 1 pt
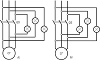
Укажите схему включения синхронных генераторов на параллельную работу
3.
MULTIPLE CHOICE QUESTION
30 sec • 1 pt
Укажите условия включения синхронных генераторов на параллельную работу.
1). равенство мгновенных значений э. д. с. генератора и напряжения сети;
2). равенство частот э. д. с. генератора и напряжения на шинах;
3) сдвиг по фазе э. д. с. генератора и напряжения на шинах на 180°;
4) одинаковый порядок следования фаз у включаемого и работающих генераторов.
1). равенство мгновенных значений э. д. с. генератора и напряжения сети;
2). равенство частот э. д. с. генератора и напряжения на шинах;
3) сдвиг по фазе э. д. с. генератора и напряжения на шинах на 90°;
4) Разный порядок следования фаз у включаемого и работающих генераторов.
1). равенство мгновенных значений э. д. с. генератора и напряжения сети;
2). равенство частот э. д. с. генератора и напряжения на шинах;
3) сдвиг по фазе э. д. с. генератора и напряжения на шинах на 270°;
4) одинаковый порядок следования фаз у включаемого и работающих генераторов.
1). равенство мгновенных значений э. д. с. генератора и напряжения сети;
2). равенство частот э. д. с. генератора и напряжения на шинах;
3) сдвиг по фазе э. д. с. генератора и напряжения на шинах на 180°;
4) Разный порядок следования фаз у включаемого и работающих генераторов.
4.
MULTIPLE CHOICE QUESTION
30 sec • 1 pt
Перечислите методы синхронизации синхронных генераторов.
1).метод точечной синхронизации;
2) метод самосинхронизаци.
1).метод точной синхронизации;
2) метод самосинхронизаци.
1).метод трех лампочек;
2) метод вращения света.
1).метод точной синхронизации;
2) метод санхронизма.
5.
MULTIPLE CHOICE QUESTION
30 sec • 1 pt
Укажите схему включения ламп синхронизации синхронного генератора с сетью на вращение света.
6.
MULTIPLE CHOICE QUESTION
30 sec • 1 pt
Укажите схему включения ламп синхронизации синхронного генератора с сетью на потухание.
7.
MULTIPLE CHOICE QUESTION
30 sec • 1 pt
Для каких синхронных генераторов применяется метод самосинхронизации с сетью.
Для любых
Для синхронных генераторов с явнополюсным ротором.
Для синхронных генераторов с не явнополюсным ротором.
Данный метод не допустим при синхронизме генератора с сетью.
Access all questions and much more by creating a free account
Create resources
Host any resource
Get auto-graded reports

Continue with Google

Continue with Email

Continue with Classlink

Continue with Clever
or continue with

Microsoft
%20(1).png)
Apple
Others
Already have an account?